直流调速
    变频传动
    直流平波电抗器
    输入电抗器
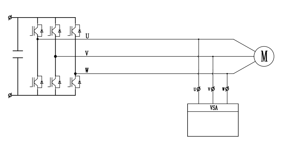
    输出电抗器
    防爆回馈电抗器
    中频电抗器
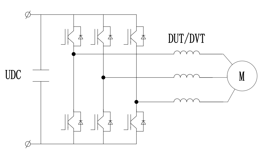
    dv/dt滤波器
    正弦波滤波器
    无源谐波滤波器
    LCL滤波器
    EMC滤波器
    电能质量
    三相串联失谐电抗器
    三相串联调谐电抗器
    电动汽车
    EV用BOOST电抗器
    充电机用PFC电抗器
    高频电抗器
    高频变压器
    电力机车
    辅助逆变器用电抗器及变压器
    紧急逆变器用电抗器及滤波器
    充电机用电抗器及变压器
    变压器
    工频变压器
    能耗制动
    波纹电阻
    铝壳电阻
    制动电阻箱
    制动电阻柜

    当前位置:首页>产品中心